羞羞漫画在线观看,羞羞动漫在线观看,羞羞色色视频,午夜羞羞在线观看

    

    变频器使用继电器和开关控制电机运行方式详解

    时间:2024-01-10    作者:羞羞漫画在线观看变频    点击:

    变频器控制电动机运转,常见的有两种方式,分别是开关控制方式和继电器控制方式:

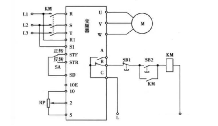
    一、开关控制的正转控制电路

    开关控制的转控制电路如下图所示,它是依靠手动操作变频器STF端子外接开关SA,来对电动机进行正转控制。

    图片

    开关控制方式电路工作原理说明如下:

    1、启动准备:按下按钮SB2,接触器KM线圈得电,KM常开辅助触点和主触点均闭合,常开辅助触点闭合锁定KM线圈得电自锁,KM主触点闭合为变频器接通主电源。

    2、正转控制:按下变频器STF端子外接开关SA,STF、SD端子接通,相当于STF端子输、输入正转控制信号,变频器U、V、W端子输出正转电源电压,驱动电动机正向运转。调节端子外 电位器R,变频器输出电源频率会发生改变,电动机转速也随之变化。

    3、变频器异常保护:若变频器运行期间出现异常或故障,变频器B、C端子间内部等效的常闭开关断开,接触器KM线圈失电,KM主触点断开,切断变频器输入电源,对变频器进行保护。

    4、停转控制:在变频器正常工作时,将开关SA断开,STF、 SD端子断开,变频器停止输出电源,电动机停转。

    若要切断变频器输入主电源,可按下按钮SB1,接触器KM线圈失电,KM主触点断开,变频器输入电源被切断。

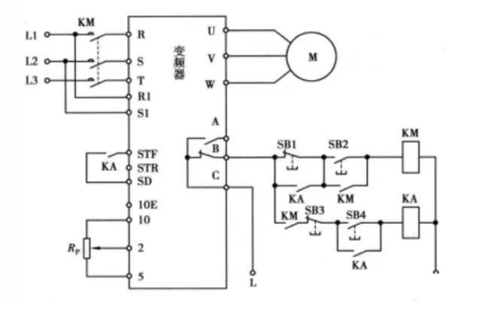
    二、继电器控制的正转控制电路

    继电器控制的正转控制电路如下图所示

    图片

    继电器控制方式路工作原理说明如下:

    1、启动准备:按下按钮SB2,接触器KM线圈得电,KM主触点和两个常开辅助触点均闭合,KM主触点闭合为变频器接通主电源,一个KM常开辅助触点闭合,锁定KM线圈得电,另一个KM常开辅助触点闭合,为继电器K中间A线圈得电作准备。

    2、正转控制:按下按钮SB4,继电器KA线圈得电,3 个KA常开触点均闭合,一个常开触点闭合锁定KA线圈得电,一个常开触点闭合将按钮SB1短接,还有一个常开触点闭合将STF、SD端子接通,相当于STF端子输入正转控制信号,变翻器U、V、W端子输出正转电源电压,驱动电动机正向运转。调节端子外接的电位器R,变频器的输出电源频率会发生改变,电动机转速也随之变化。

    3、变频器异常保护:若变频器异常期间出现故障,变频器B、C端子之间内部等效的常闭开关断开,接触器KM线圈失电,KM主触点断开,切断变频器输入人电源,对变频器进行保护,同时继电器KA线圈也失电,3个KA常开触点均断开。

    4、停转控制:在变频器正常工作时,按下按钮SB3,KA线圈失电,KA 3个常开触点均断开,其中一个KA常开触点断开使STF、SI)端子连接切断,变频器停止输出电源,电动机停转。

    在变频器运行时,若要切断变频器输入主电源,须先对变频器进行停转控制,再按下按钮SB1,接触器KM线圈失电,KM主触点断开,变频器输入电源被切断,如果没有对变频器进行停转控制,而直接去按SB1,是无法切断变频器输入主电源的。

    这是因为变频器正常工作时KA常开触点已将SB1短接,断开SB1无效,这样做可以防止在变频器工作时误操作SB1切断主电源.

    返回列表
     网站地图