羞羞漫画在线观看,羞羞动漫在线观看,羞羞色色视频,午夜羞羞在线观看

    

    台达MS300变频器接线图和端子接线说明

    时间:2019-08-07    作者:羞羞漫画在线观看变频    点击:
     

    午夜羞羞在线观看MS300是台达近年推出的精巧标准型矢量控制型变频器,兼具小型化、高功能、高信赖度、安装简便等优势,优化的结构与免锁螺丝端子设计提供便利的检修流程,节省安装与维修时间。友善的使用接口,透过用途选择,便能轻易的完成参数设定。内置USB功能,更可快速的参数复制,提高生产效率。
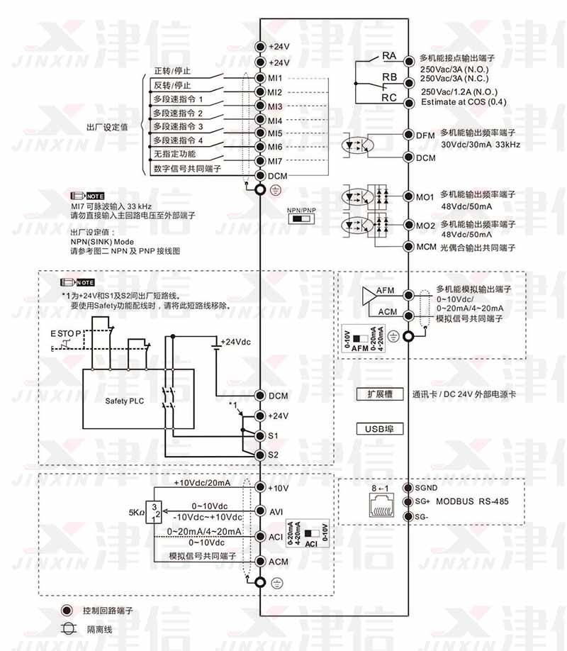
    一、        台达MS300变频器接线图
    电源输入接线图
    端子接线图

    NPN和PNP模式切换端子图
    系统配线图
     
    二、           台达MS300变频器接线说明
    打开变频器上盖后,露出各接线端子排,检查各主回路电路及控制回路电路之端子是否标示清楚及接线时注意以下各项说明,干万不要接错线:
    1. 若要接线时,首先应关掉变频器电源,因为内部回路直流部分滤波电容器完
    2. 成放电需要一定时间。为避免危险,客户可使用直流电压表作测试。确认 电压值小于 25 Vdc 安全电压值后,才能开始进行配线。若使用者未让变频 器充分时间放电,内部会有残留电压,此时进行配线会造成电路短路并发 生火花现象,所以请用户最好在无电压条件下进行作业以确保自身安全。
    3. 配线作业应由专业人员进行。确认电源断开(OFF)后才可作业,否则可能 发生感电事故。
    4. 变频器的主回路电源端子 R/L1、S/L2、T/L3 是输入电源端。如果将电源错 误连接于真E端子,则将损坏变频器。另外应确认电源应在铭牌标示的允许
    5. 电压 / 电流范围内(参考 1-1 产晶外观之铭牌说明)。
    6. 接地端子必须良好接地,一方面可以防止雷击或感电事故,另外能降低躁声 干扰。
    7. 各连接端子与导线间的螺丝请确实锁紧,以防震动松脱产生火花。
     
    配线时,配线线径规格之选定,请依照电工法规之规定施行配线,以策安全。完成电路配线后,请再次检查以下几点:
    1. 所有连接是否都正确无误?
    2. 有无遗漏接线?
    3. 各端子和连接线之间是否有短路或对地短路? 
     
     
    返回列表
     网站地图