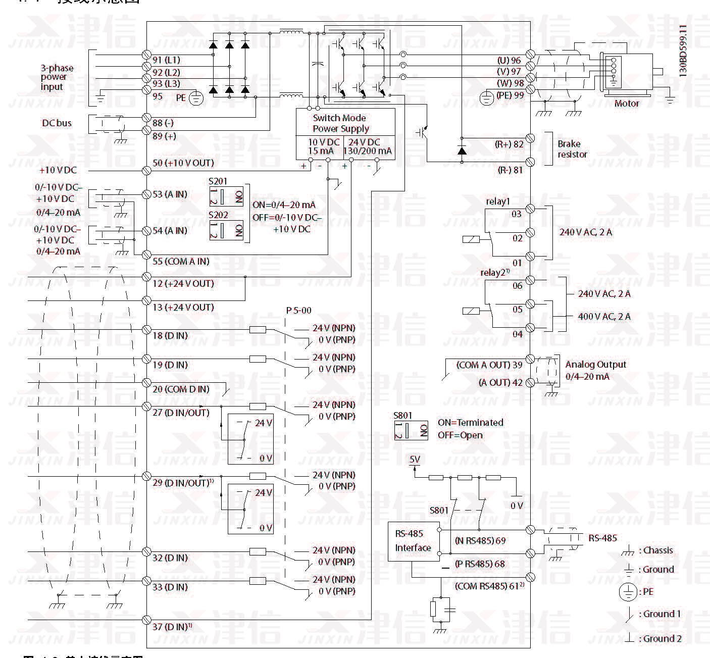
羞羞动漫在线观看主要由整流(交流变直流)、滤波、逆变(直流变交流)、制动单元、驱动单元、检测单元微处理单元等组成。并依靠内部IGBT的开断来调整输出电源的电压和频率,从而达到节能、调速的目的。
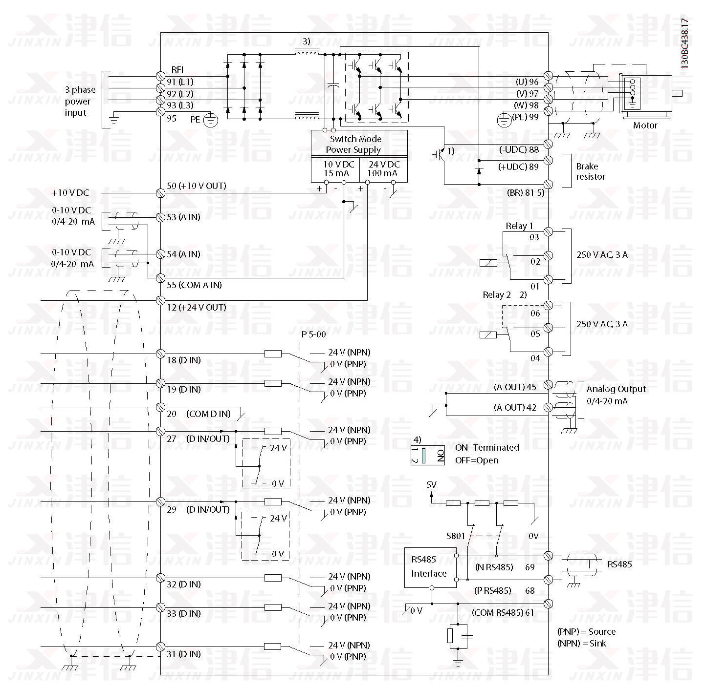
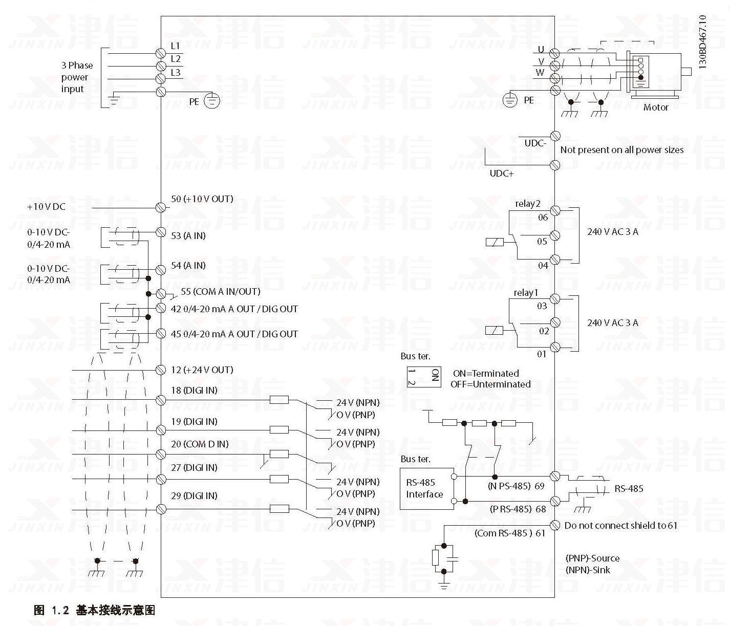
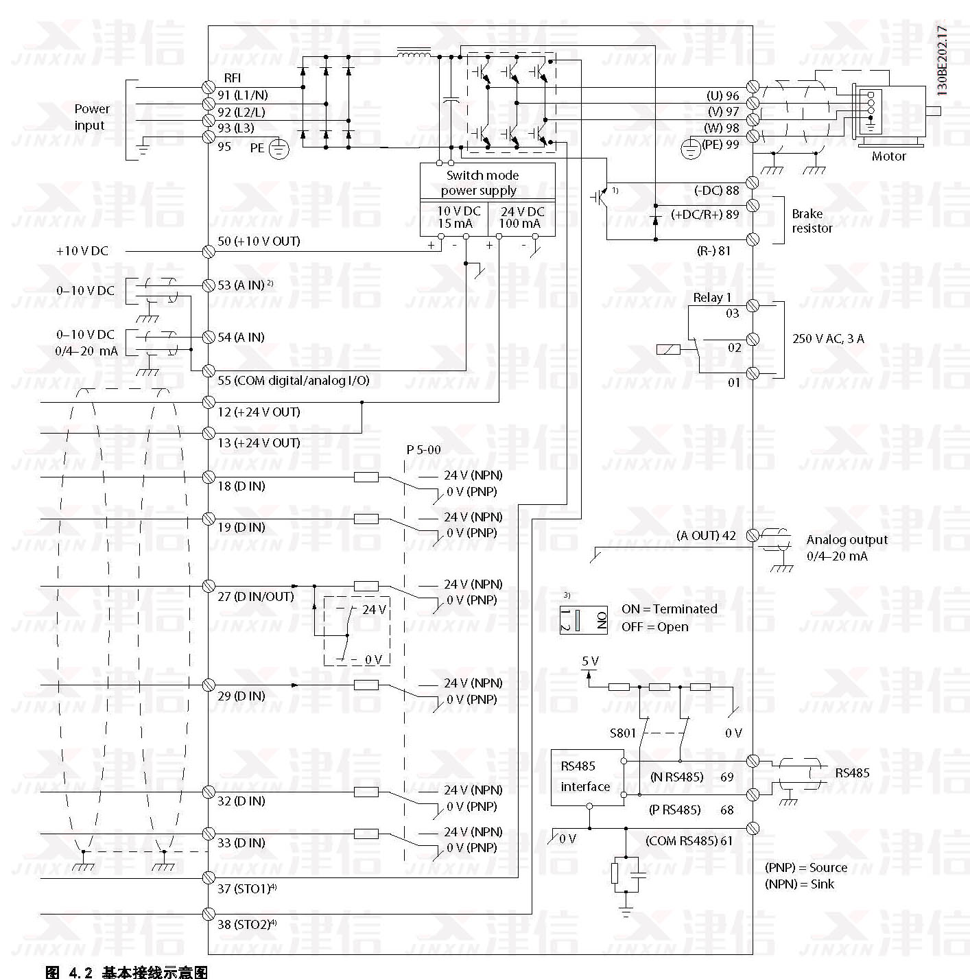
羞羞动漫在线观看采用交-直-交工作原理,先将三相交流电经整流部分变换成直流,经滤波后通过IGBT或其它电力电子器件逆变成频率和电压均可变的三相交流电供电机使用。变频器的基本构成由主电路(包括整流器、中间直流环节、逆变器)和控制电路组成,以下是丹佛斯各系列变频器的接线示意图。
-
制动(BR+ 和 BR-)不适用于机箱规格 M1。

A=模拟,D=数字
-
端子 37(可选)用于 Safe Torque Off (STO) 功能。
-
对于 FC 301,只有 A1 型机箱中包括端子 37。继电器 2 和端子 29 在 FC 301 中不起作用。
2) 请勿连接电缆屏蔽层。

A=模拟,D=数字
1) J1–J5 上配有内置制动斩波器。
2) 对于 J1-J3,继电器 2 为两触点极;对于 J4-J7,继电器2 为 3 触点。J4-J7 的 继电器2 上的端子 4、5、6 的常开/常闭逻辑与继电器1 相同。继电器在 J1-J5 中为可插拔式,在 J6-J7 中为固定式。
3) J1–J5 中配有单个直流电抗器; J6–J7 中配有两个直流电抗器。
4) 开关 S801(总线端子)可用于端接 RS485 端口(端子 68 和 69)。
5) J6–J7 中无 BR。

在FC101上无 UDC- 和 UDC+:
1) IP20, 380–480 V, 30–90 kW (40–125 HP)
2) IP20, 200–240 V, 15–45 kW (20–60 HP)
3) IP20, 525–600 V, 2.2–90 kW (3–125 HP)
4) IP54, 380–480 V, 22–90 kW (30–125 HP)

A=模拟,D=数字
1) 内置制动斩波器仅在 3 相设备上可用。
2) 端子 53 也可用作数字输入。
3) 开关 S801(总线端子)可用于端接 RS485 端口(端子 68 和 69)。