羞羞漫画在线观看,羞羞动漫在线观看,羞羞色色视频,午夜羞羞在线观看

    

    羞羞动漫在线观看FC300多段速和模拟量控制应用案例

    时间:2018-11-15    作者:羞羞漫画在线观看变频    点击:
    一、 控制要求;
    1.    外部命令控制启动、停止;
    2.    可以用外部模拟量调节转速;
    3.    可以根据外部命令切换到多段速控制

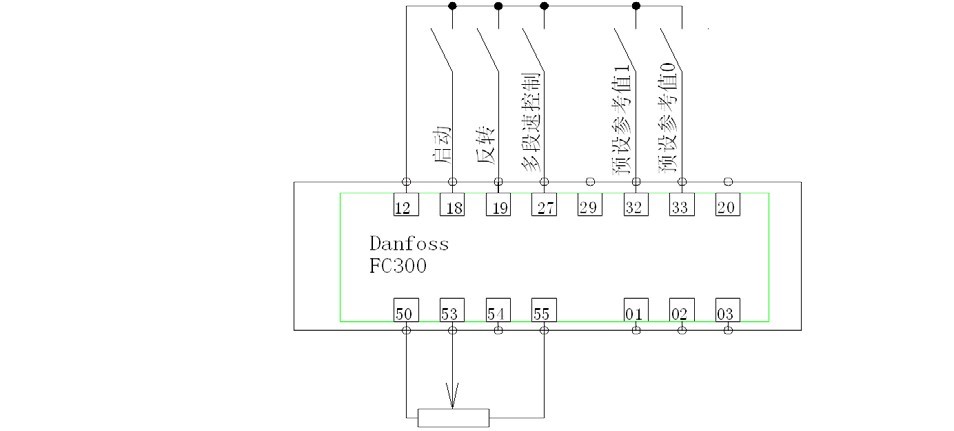
    二、 接线方式:


    三、 参数设置:
     
    参数号码 参数名称 出厂值 [代码] 设定值 [代码]
     
    3-04
    参考值功能 [0] 总和 [1] 外部/预置
     
    5-12
    端子 27 数字输入 [2] 惯性停车 [15] 预置参考值开
     
    5-14
    端子 32 数字输入 [0] 无功能 [17] 预置参考值位 Bit1
     
    5-15
    端子 33 数字输入 [0] 无功能 [16] 预置参考值位 Bit0
     
    P310.0
    预置参考值  
    [0] 0.00 %
    [0] 一段速设定值
     
    P310.1
    预置参考值  
    [1] 0.00 %
    [1] 二段速设定值
     
    P310.2
    预置参考值  
    [2] 0.00 %
    [2] 三段速设定值
     
    P310.3
    预置参考值  
    [3] 0.00 %
    [3] 四段速设定值
    注:其余参数按出厂值。

    如果不使用模拟量转速给定,参数 3-14 可以为出厂值,27 号端子控制参数 5-12 设为 其他的功能。
     
    返回列表
     网站地图