羞羞漫画在线观看,羞羞动漫在线观看,羞羞色色视频,午夜羞羞在线观看

    

    丹佛斯FC300系列变频器的闭环过程控制功能

    时间:2018-02-08    作者:羞羞漫画在线观看变频    点击:
    一、 概述:
    丹佛斯 FC300 系列变频器具有响应时间快、功能强大等特点,通过内置的单回路 PID
    调节器,可以实现工业上恒压力、恒温度、恒流量等过程控制。


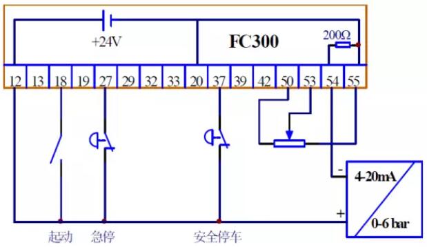
    二、 接线方式:
    以民用供水系统恒压控制为例,由电位器作压力给定,反馈信号为 4-20 mA / 0-6 bar。
    图 1,PID 调节框图
     
    图 2,接线图

    三、 参数设置:
    首先端子 54 切换到电流输入。
     
    参数号码 参数名称 出厂值 [代码] 设定值 [代码]
     
    0-02
    电机速度单位  
    RPM [0]
     
    Hz [1]
     
    1-00
    控制方式选择 开环速度控制 [0] 闭环过程控制 [3]
     
    3-01
    参考值反馈单位  
    % [1]
     
    Bar [5]
     
    3-03
    最大参考值  
    1500
     
    6.0 bar
     
    3-15
    参考来源 1 模拟量输入端子 53 [1] 模拟量输入端子 53 [1]
     
    4-12
    电机速度下限  
    0 Hz
     
    15 Hz
     
    4-14
    电机速度上限  
    120 Hz
     
    50 Hz
     
    6-10
    端子 53 低电压  
    0.07 V
     
    0.07 V
     
    6-11
    端子 53 高电压  
    10.0 V
     
    10.0 V
     
    6-14
    端子 53 参考/反馈低  
    0
     
    0 bar
     
    6-15
    端子 53 参考/反馈高  
    1500
     
    6.0 bar
     
    6-22
    端子 54 低电流  
    0.14 mA
     
    4.0 mA
     
    6-23
    端子 54 高电流  
    20.0 mA
     
    20.0 mA
     
    6-24
    端子 54 参考/反馈低  
    0
     
    0 bar
     
    6-25
    端子 54 参考/反馈高  
    1500
     
    6.0 bar
     
    6-26
    端子 54 滤波时间  
    0.001 s
     
    0.1 s
     
    7-20
    过程反馈源 1 无功能 [0] 模拟量输入端子 54 [2]
     
    7-30
    过程 PID 正常/反向控制 正常 [0] 正常 [0]
     
    7-31
    过程 PID 防积分饱和 开 [1] 开 [1]
     
    7-32
    过程 PID 启动速度  
    0.00
     
    15.00 Hz
     
    7-33
    过程 PID 比例增益  
    0.01
     
    0.3
     
    7-34
    过程 PID 积分时间  
    Off
     
    8.0 s
     
    7-35
    过程 PID 微分时间  
    0 s
     
    0 s
     
    7-36
    过程 PID 微分增益极限  
    5.0
     
    5.0
           
     
     
    如果压力给定不由电位器,而使用内部预置给点则设置预置给点参数。
     
    参数号码 参数名称 出厂值 [代码] 设定值 [代码]
     
    3-10.0
    预置给点 1  
    0
    100%对于 6Bar
     
    返回列表
     网站地图